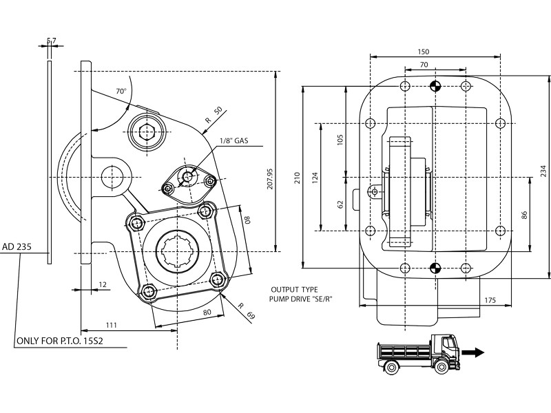
PTO készlet Scania – Oldalsó beépítés a maximális hidraulikus hatékonyság érdekében
A Scania teherautókhoz készült oldalsó beépítésű PTO készlet rendkívül hatékony megoldást kínál a hidraulikus rendszerek működtetésére. Olyan modellekhez készült, ahol a sebességváltó oldalsó hozzáférése lehetséges, ezáltal egyszerűbb a telepítés és javul a szervizelhetőség. A tengelykapcsoló egység minden Scania teherautó-típushoz alkalmas oldalsó beépítéssel (GRS905, GRSO905).
A Scania PTO készlet (oldalsó beépítés) tartalma
-
Interpump Hydraulics PTO tengelykapcsoló Scania (GRS905, GRSO905), oldalsó beépítés
-
Interpump Hydraulics PTO ház
-
Interpump Hydraulics szerelőkészlet
-
Interpump Hydraulics kapcsoló
Az oldalsó beépítés fő előnyei
-
Könnyű hozzáférés szervizeléshez és cseréhez
-
Kompatibilis a legtöbb Scania sorozattal: R, G, P
-
Ideális billenőrendszerekhez, csörlőkhöz, darukhoz és betonkeverőkhöz
-
Megőrzi az alváz alatti helyet további komponensek számára
Műszaki jellemzők
-
Anyag: nagy szilárdságú acél
-
Üzemi nyomás: akár 200 bar
-
Forgásirány: szabványos, kompatibilis a Scania PTO tengellyel
-
Hőmérséklet-állóság: -40°C – +90°C
A Scania oldalsó PTO készlet alkalmazási területei
Ideális professzionális felhasználásra:
-
Építőipari járművek billenő felépítménnyel
-
Kommunális teherautók csörlővel
-
Ömlesztett és folyékony anyagok szállítására szolgáló speciális járművek
Miért válassza a Premium Flow Solutions-t?
Szakértő csapatunk technikai támogatást nyújt a vásárlás előtt, alatt és után. A Scania oldalsó beépítésű PTO készlettel egy bevált, tartós és tesztelt megoldást kap, amely további járműmódosítás nélkül telepíthető. A gyors szállítás és az alkatrészek elérhetősége tovább egyszerűsíti a karbantartást.
Bízzon a bevált berendezésekben – optimalizálja járművét a legjobb teljesítményre, akár terepen, akár műhelyben.






